繁體
|
登录
|
注册
|
政务邮箱
|
站群导航
|
无障碍浏览
湖北省政府网
|
长者模式
搜索
热门搜索:
首页
政府信息公开
办事服务
政民互动
数据开放
新闻中心
走进潜江
首页
政府信息公开
办事服务
政民互动
数据开放
新闻中心
走进潜江
首页
>
政府信息公开
>
政策
>
其他主动公开文件
>
公示公告
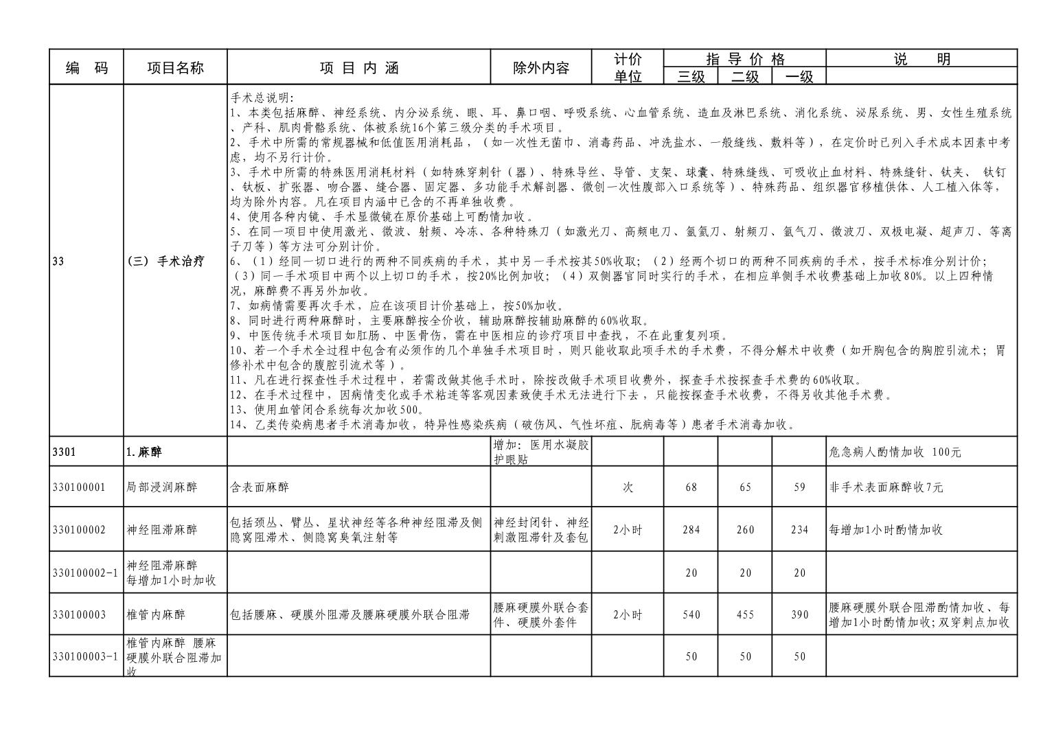
潜江市医疗服务价格项目目录
发布时间:2024-03-21 11:20
来源:潜江市医疗保障局
江江智能助手
为您阅读
公示公告
扫一扫在手机上查看当前页面
我要纠错
关闭此页
附件:
潜江市医疗服务价格项目目录.xls
智能推荐