潜江经济开发区
政府信息公开工作2021年度报告
一、总体情况
本报告依据市政务公开工作领导小组《关于做好2021年政府信息公开工作年度报告编制和发布工作的通知》要求,由潜江经济开发区政务公开工作领导小组结合有关统计数据编制。本年度报告中所列数据的统计期限自2021年1月1日起至2021年12月31日止。全文包括总体情况、主动公开政府信息情况、收到和处理政府信息公开申请情况、政府信息公开行政复议行政诉讼情况、存在的主要问题及改进情况、其他需要报告的事项。
1、主动公开方面。我区本着应公开尽公开的原则,鼓励各村(社区)、直属单位和各办公室提供各类信息,最大限度拓宽信息来源,增加信息的多样性、全面性、及时性。我区机关主动公开政府信息途径有:潜江经济开发区门户网站、政府热线、微信公众号等。据统计,截至2021年12月31日,主动公开规范性文件1件。
2、依申请公开方面。建立了所有网上公开信息由党政综合办负责草拟或初审,再由分管领导审核把关,最后经行政主要负责人亲自确定,由党政综合办负责编辑入网公开的信息公开审核发布流程机制。明确信息分类管理原则,应公开的所有信息及时公开,保密信息坚决做好保密工作。
3、政府信息管理方面。一方面进一步完善组织机构,建立健全了全区政务公开工作协调机制,将政务公开明确列入领导责任分工。进一步推进政务公开,全面推进政府信息主动公开、重点领域信息公开、依申请公开、解读回应、平台建设等政务公开系统工作,将政务公开工作纳入了全区高质量发展和绩效考核体系。
4、信息平台建设方面。一方面做好信息信息编辑、发布等由宣传办专职人员进行操作,不得随意外泄密码。对于重大信息解读或网上舆情,严格按程序审核,确保信息真实、准确。另一方面广泛运用政务新媒体,潜江经济开发区政务新媒体总体运行势头较好,利用两微一端做好信息发布、政策解读,大力提升政府信息社会知晓率和影响力,持续提升改善与关注用户互动服务。通过全区政务新媒体平台的规范健康发展,不断拓展政务服务工作阵地。
5、监督保障方面。强化对政务公开工作的考核测评,对照《2021年潜江市政务公开工作考核指标》开展自查整改工作,召开了全区政务公开工作推进会,主要领导参会,做好工作部署迎接考核;同时,将政务公开工作纳入2021年度开发区高质量发展目标管理考核指标项,传导监督问责压力,进一步提升全域做好政务公开工作的责任意识。
二、主动公开政府信息情况
2021年,我区政府信息公开主要是通过区集约化智能门户平台、小册子和宣传单、微信公众号等进行公开。累计通过区政府门户网站主动公开政府信息共74条,其中,新闻发布37条,政策法规类4条,政务公开类50条,组织机构3条,政策执行4条,财政预决算2条。

三、收到和处理政府信息公开申请情况
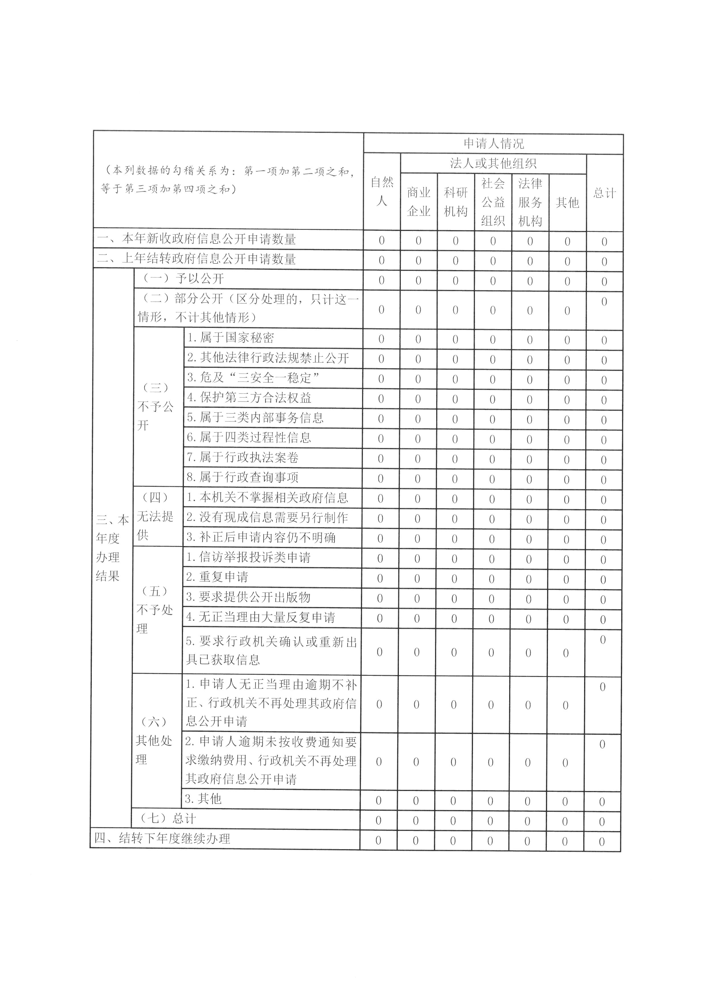
2021年,我区收到网上咨询投诉2件次,办结2件次,办结率100%。群众通过政府门户网站提交政府信息公开申请0宗;通过政府门户网站互动平台收集各类意见建议1条。没有因政府信息公开申请行政复议、提起行政诉讼的案件。

四、政府信息公开行政复议、行政诉讼情况
本政府信息公开严格遵循相关制度规定,严格遵守相关流程,做到严审核,严签审,早防范,没有出现申请行政复议或提起行政诉讼的情况。
行政复议 | 行政诉讼 | |||||||||||||
结果维持 | 结果 纠正 | 其他 结果 | 尚未 审结 | 总计 | 未经复议直接起诉 | 复议后起诉 | ||||||||
结果 维持 | 结果 纠正 | 其他 结果 | 尚未 审结 | 总计 | 结果 维持 | 结果 纠正 | 其他 结果 | 尚未 审结 | 总计 | |||||
0 | 0 | 0 | 0 | 0 | 0 | 0 | 0 | 0 | 0 | 0 | 0 | 0 | 0 | 0 |
五、存在的主要问题及改进情况
2021年我区的政府信息公开虽然取得一些成绩,但与当前政府信息公开工作的要求尚有距离。
(一)存在的问题
1.更新不够及时。主要表现为从事政府信息公开工作的人员身兼几职,在政府信息公开方面投入时间、精力都有限,没有达到最佳状态。
2.宣传力度不够。主要是信息公开对社会宣传力度不够,政府信息公开度与群众的知晓度不一致。
(二)改进措施及情况
1.融合信息公开手段和方式。将传统宣传车、宣传横幅、政务公开栏、张贴公告等方式与现代QQ群、微信群、政府网站、微信公众号等现代媒体宣传方式相结合,线上线下宣传统一发力,互为补充。
2.不断增强政府信息公开工作人员素质。做好政府信息公开新条例的宣传,加强政府信息公开业务培训和业务交流,不断提高全区政务信息公开工作人员的业务素养,增强信息公开队伍的法治意识、保密意识和责任意识,打造一批精通业务的政务信息公开队伍。
六、其他需要报告的事项
1.政府信息处理费收取情况。本政府尊重人民群众的知情权,自觉将权力运行置于人民监督之下,努力做到应公开尽公开,应保密严保密,没有实行信息公开收费,只要是应该公开,要求公开的,全部予以免费公开。
2.建议提案办理公开情况。无此类办理公开情况。
3.政务公开工作要点落实情况。全年均已按要求进行主动信息公开,依法公开工作职能、机构设置等信息。围绕实际承担的工作职责及时全面梳理主动公开内容,按目录及时公开有关内容。根据相关文件要求,结合本单位公共服务事项清单,全面推进政务公开标准化规范化工作。加强政府网站建设,切实履行对政府门户网站的监管责任,强化网站信息内容保障,及时更新网站信息,加强信息公开专栏内容建设和信息发布审核,把好政治关、政策关、文字关。
4.重点领域(重大建设项目批准与实施、公益事业建设、公共资源配置)政府信息公开情况。其中,公开重大建设项目批准与实施0条、公益事业建设74条、公共资源配置0条。
扫一扫在手机上查看当前页面