本年报根据《中华人民共和国政府信息公开条例》要求,由潜江市自然资源局局和规划局编制。全文包括总体情况,主动公开政府信息情况、收到和处理政府信息公开申请情况,政府信息公开行政复议、行政诉讼情况,存在的主要问题和改进情况,其他需要报告的事项。
本报告将在潜江市人民政府门户网站(http://www.hbqj.gov.cn/szrzyhghj/)上公布,如对本年度报告有任何疑问,请联系潜江市自然资源和规划局,联系电话:0728—6291705,地址:潜江市横堤路20号。
一、总体情况
1、政府信息主动公开情况
一是建立规范制度。认真落实《2021年潜江市政务公开工作要点》,按照潜江政务公开的总体要求,明确我局政务公开工作目标、细化政务公开主要措施、推进政务公开工作制度化、规范化和程序化,形成局办统一部署、内容业务科室提供保障、分管领导审核,信息中心汇总发布,局办督办的工作格局。
二是专题安排部署。局党组高度重视政务公开工作,把政务公开纳入年度目标考核的重要内容,由市政府统一协调涉及征地信息依申请公开办理,明确科室责任和办理工作要求。在依申请公开的办理过程中,市政府对依申请公开答复书反复征求我局意见,我局认真研究,句斟字酌 ,确保回复格式规范,内容合法合规。
三是落实工作措施。各科室严格按照政务信息发布制度,涉密不上网,上网不涉密,对需要公开的信息内容认真研究,层层把关,做到公开信息真实准确,回复信息及时反馈,征集信息广求民意,沟通交流顺畅多样,努力将门户网站和微信公众号建成一个我局和公众互动交流的信息平台。
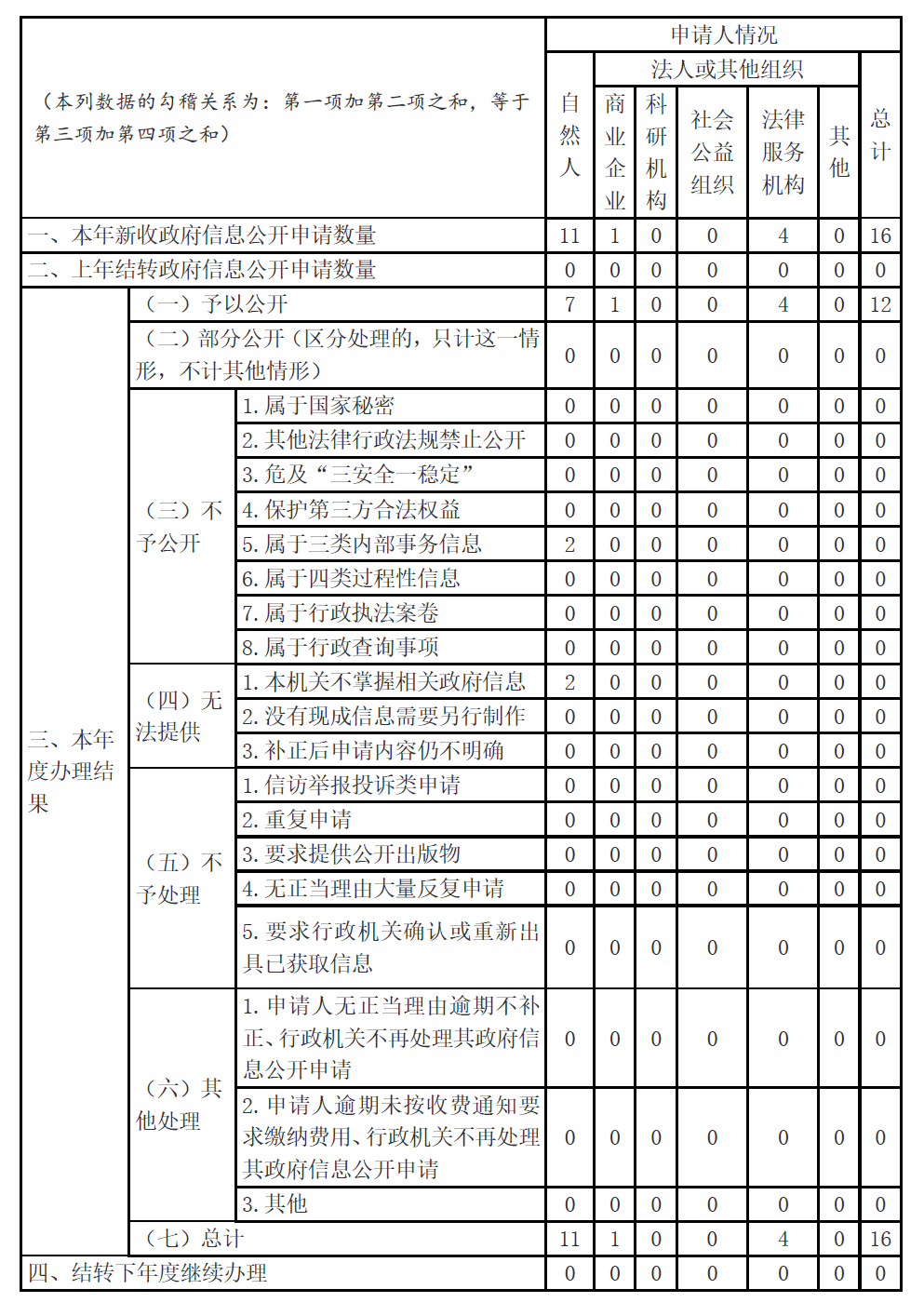
2、政府信息依申请公开情况
2021年,潜江市自然资源和规划局共受理政府信息公开申请16宗,主要涉及土地征收、城乡规划等内容,已全部依法答复。
3、政府信息管理情况
1.推行政务公开标准化建设。进一步完善《潜江市自然资源和规划局政务公开标准目录》,推动基层决策公开、执行公开、管理公开、服务公开、结果公开,努力实现基层政务公开全覆盖。
2.落实政务公开信息保障。对标《潜江市自然资源和规划局政务公开标准目录》,将潜江市自然资源和规划局网站栏目内容保障分解到责任科室并督促实施,确保网站信息及时更新。
3.规范政府信息发布流程。严格潜江市自然资源和规划局网站及微信公众号信息发布审批流程,规范信息发布程序,确保内容合法、合规。
4、政府信息公开平台建设情况
对网站首页进行了优化改造,整合发挥网站政务公开的宣传服务功能、增设了湖北省征地信息公共平台、不动产登记查询平台、住宅用地信息公开平台,天地图潜江地理信息公共平台等四个查询窗口,提升用户体验,突出服务便民,着力为用户提供高效、便捷的一体化网上政府服务,努力打造为民服务的网上店小二。
5、监督保障情况
1.加强组织领导。明确专人负责,完善网站和微信公众号管理机制,加强指导督促办理,提高信息发布的数量和质量 。
2.完善相关制度。修改完善了《潜江市自然资源和规划局信息公开管理办法》并强化落实,确保网站安全运行。
3.开展自查自纠。及时对网站和微信公众号文字、图片等引用错误表述排查整改,对省自然资源厅及市政务服务和大数据管理局抽查进行整改反馈,形成台账,并做到举一反三。
二、主动公开政府信息情况
2021年,潜江市自然资源局在本单位网站(http://www.hbqj.gov.cn/szrzyhghj/)主动公开政府信息802条,含工作动态类信息79条,公告公示51条,其他信息672条。
2021年,潜江市自然资源和规划局局重点领域公共资源配置责任栏目“国有土地使用权出让”信息148条、“出让公告”信息90条、“成交结果信息”58条。公益事业建设城乡规划责任栏目“公共政策服务”信息5条,“规划编制”信息34条,规划许可信息303条。

三、收到和处理政府信息公开申请情况
2021年,潜江市自然资源和规划局共受理政府信息公开申请16宗,主要涉及土地征收、城乡规划等内容,已全部依法答复。没有收取申请人任何费用。

四、政府信息公开行政复议、行政诉讼情况

五、存在的主要问题及改进情况
1.进一步加强主动公开和政策解读。坚持“公开为常态、不公开为例外”原则,进一步加大主动公开力度,完善规范性文件政策解读,特别是部、省自然资源领域政策性文件解读,丰富政策解读方式。
2.进一步提升公众政策咨询的便利性、准确性。提升业务科室人员经办水平,增强网上咨询问题的答复精准性;在网站及时完整公开规划成果、征地信息等老百姓关心问题,切实保障公众的知情权、参与权、监督权。
3.进一步加强对政务公开工作的组织领导。明确职责分工,做到领导、机构、人员“三到位”;增强信息公开工作人员力量,邀请法律专业人士进行政府信息公开培训指导,提升工作人员素质;加强对依申请公开事项的法制审核,避免发生程序性错误;加强与申请人沟通解释,努力取得申请人对政府信息公开工作的理解,减少行政复议与行政诉讼案件。
六、其他需要报告的事项
1、政府信息处理费收取情况。
本年度未收取因信息公开向申请人收取的资料复印费、邮寄费等政府信息处理费。
2、建议提案办理公开情况。
2021年市政府交办我局人大建议和政协提案共31件,其中人大建议13件(主办3件、会办10件),政协提案18件(主办4件、会办14件)。目前人大建议和政协提案办理工作已全部完成,见面率、回复率、满意率均为100%。
3、政务公开工作要点落实情况。
按照潜政办发文件2021年潜江市政务公开工作工作要点,我局主要做法一是通过设立“店小二”专线0728-6291729并在网站首页醒目位置显示,积极提供政策咨询解读服务,改进政策解读工作方式。二是积极做好各类规划主动公开,在我局门户网站上集中展示公开了潜江市“十三五”、十四五基础测绘规划、矿产资源总体规划和土地利用调整规划。三是广泛征求公众意见,增强决策的科学性,对潜江市国土空间规划(2020—2035年)、潜江市全域村庄布局规划(2020-2035年)、潜江市基础测绘“十四五”规划(2021~2025年)在门户网站发布意见征集,并通过微信公众号潜江市自然资源同步征集,充分汲取、采纳公众合理意见,收到良好效果。
4、重点领域(重大建设项目批准与实施、公益事业建设、公共资源配置)政府信息公开情况。
重大项目批准实施非本部门牵头项目,我局通过在首页醒目位置设置图标,链接湖北省征收土地信息公开平台供公众查阅,平台可查询本年度批次城市建设用地信息38条。
本年度发布城乡规划类信息345条,其中规划许可类信息301条,规划编制类信息34条,公共服务政策类信息5条。
发布土地使用权出让公告89条,成交公示58条,个人土地出让信息2520条,按要求发布2021年度国有建设用地供应计划。
扫一扫在手机上查看当前页面